所有Haydon混合式直线步进电机均可配备一个专用编码器,以用于需要反馈的应用。紧凑型光学增量式编码器设计具有双通道正交TTL方波输出。可选索引也可作为第三通道使用。Size 8编码器的分辨率适合每转需要250和300个计数的应用。 Size 11、14和17编码器的分辨率适合每转需要200、400和1,000个计数的应用。 Size 23和34编码器的分辨率为每转200、400、1,000和2,000计数。编码器可用于所有电机配置 - 固定轴式、贯通轴式和外部驱动式。
简单的设计和低成本使编码器非常适合大小批量的运动控制应用。内部单片电子模块将实时轴角度、速度和方向转换为TTL兼容的输出。编码器模块包含一个透镜LED光源和单片光电探测器阵列以及信号整形电子器件,可产生双通道无反射TTL输出。
电气规格
|
最小
|
典型
|
最大
|
单位
|
输入电压
|
4.5 |
5.0 |
5.5 |
VDC |
输出信号
|
4.5 |
5.0 |
5.5 |
VDC |
- 2通道正交TTL方波输出
- 从编码器盖上看,通道B引导通道A使转子顺时针旋转
- 速度为0至100,000个周期/秒时的轨道。
- 可选索引可用作34d通道(每转一个脉冲)。
Size 14单端编码器引脚分配
连接器引脚编号
|
描述
|
| 1 |
接地
|
| 2 |
索引(可选)
|
| 3 |
通道A
|
| 4 |
+5 VDC电源
|
| 5 |
通道B
|
Size 14差分编码器引脚分配
连接器引脚编号
|
描述
|
| 1 |
接地 |
| 2 |
接地 |
| 3 |
- 索引 |
| 4 |
+ 索引 |
| 5 |
通道A -
|
| 6 |
通道A +
|
| 7 |
+5 VDC电源
|
| 8 |
+5 VDC电源
|
| 9 |
通道B - |
| 10 |
通道B +
|
工作温度
最小
|
最大 |
-40°C (-40°F)
|
100°C (212°F)
|
机械规格
|
最大 |
| 加速 |
250,000弧度/秒平方
|
振动(5 Hz至2 kHz)
|
20g |
分辨率
4标准每转周期(CPR)或每转脉冲(PPR)
CPR
|
200
|
400 |
1000* |
PPR
|
800
|
1600
|
4000* |
*索引脉冲通道不可用。
其他可用
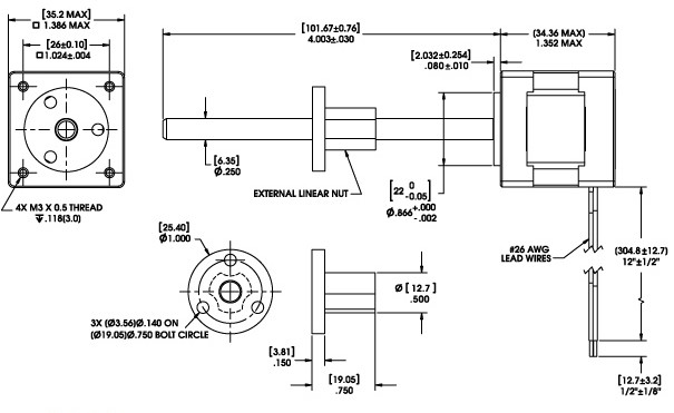
编码器尺寸图
尺寸 =(毫米)英寸
30mm 35000系列Size 14

注释A:在特定的固定轴式和贯通轴式电机上,螺杆延伸到编码器之外。可根据要求提供外部驱动式。