PLG52 特点
| 规格 |
UNITS |
PLG52 |
PLG52 |
PLG52 |
PLG52 |
PLG52 |
PLG52 |
PLG52 |
PLG52 |
PLG52 |
PLG52 |
PLG52 |
PLG52 |
PLG52 |
| 4.5:1 |
6.25:1 |
15:1 |
20.2:1 |
28.1:1 |
36:1 |
50:1 |
91.1:1 |
126.5:1 |
162:1 |
225:1 |
288:1 |
400:1 |
| 最大负载 |
Nm |
1.2
|
8 |
24 |
| oz-in |
170 |
1133 |
3399 |
| 重量(Mass) |
g |
560 |
720 |
880 |
| oz |
19.8 |
25.4 |
31.0 |
| 长度 (LG) |
mm |
50.0 |
65.5 |
80.5 |
| in |
1.97 |
2.58 |
3.17 |
| 阶段 |
- |
1 |
2 |
3 |
| 效率 |
- |
0.90 |
0.81 |
0.73 |
| 轴旋转 |
- |
CW |
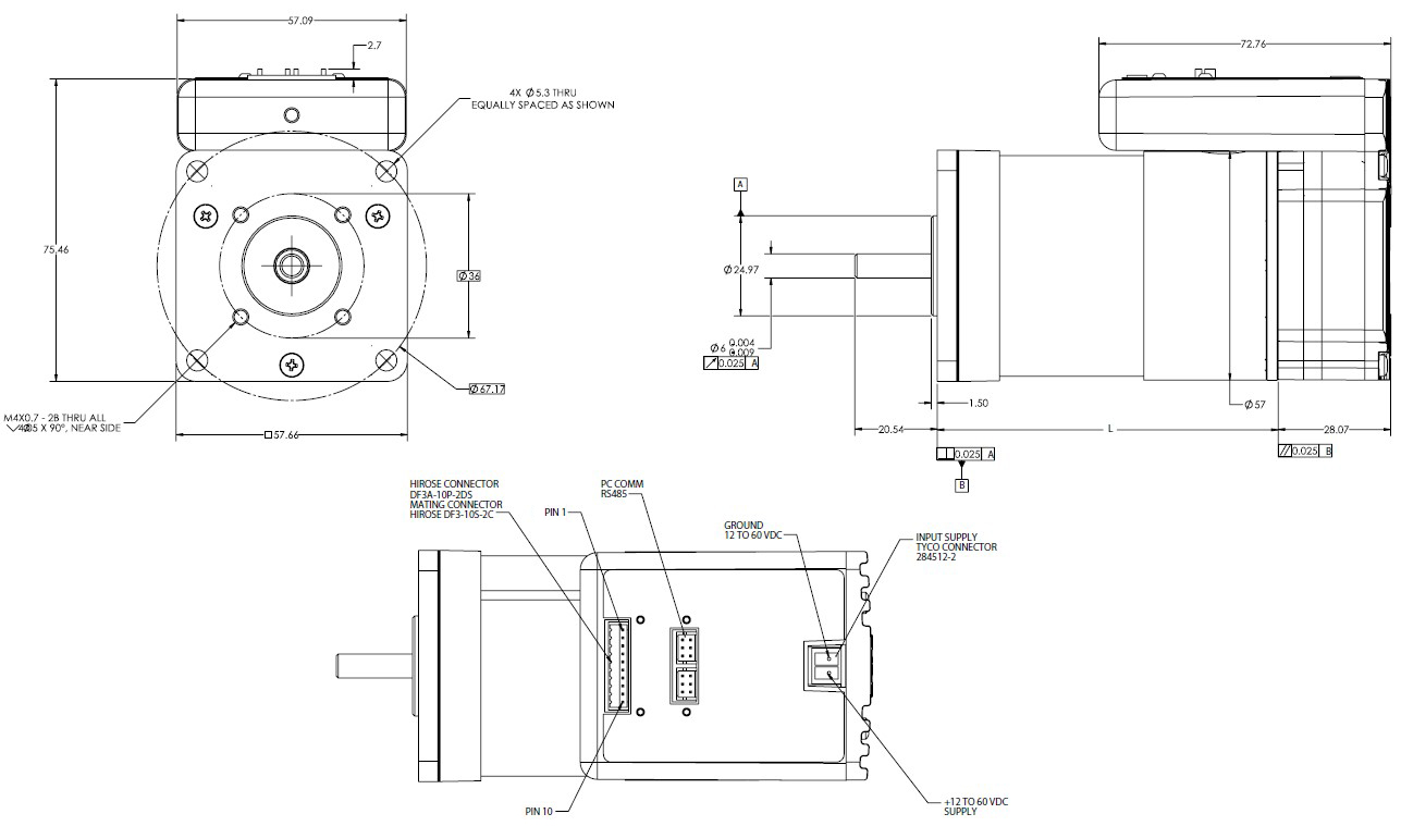
Dimensional Drawings

Add
L from EC042B IDEA™ Motor Dimensional Drawing above to determine L
M and L
GM motor lengths
NOTES:
1. Maximum load represents gearbox capability only. Continuous load torque capability will vary with gear ratio, motor selection, and operating conditions.
2. Shaft rotation is designated while looking at output shaft and motor operating in a clockwise direction. Gearboxes have bi-directional capability.
3. All values specified at 25° ambient temperature and without heatsink. Peak values are theoretical and for reference only.