AmetekHaydonKerk
Skip to content

Size 11,28000双叠厚系列

Haydon Kerk Motion Solutions的size 11双叠厚是一款28毫米混合型旋转步进电机。在额定电压下,size 11 - 28000系列 - 双叠厚电机可产生高达105.4 mNm(14.9 oz-in)的扭矩。典型应用包括医疗设备、半导体处理、阀门控制、X-Y工作台、手持仪器,或者任何需要精确旋转运动的场合。


  • 规格 +



    Part No. 旋转 28M40-V
    极性 Units Bipolar
    步进角度 Degree 1.8°
    绕组电压 VDC 2.1 5 12
    电流/相位 A rms 1.9 0.75 0.313
    电阻/相位 ohms () 1.1 6.7 34.8
    电感/相位 mH 1.1 5.8 35.6
    功耗 Watts 7.5
    转子惯量
    gcm2
    13.5
    绝缘等级
    Class B (Class F available)
    重量 oz (g) 5.8( 180 )
    重量 M() 20
    标准电机为B级,最高温度为130°C(F级为155°C)
    *缩略值
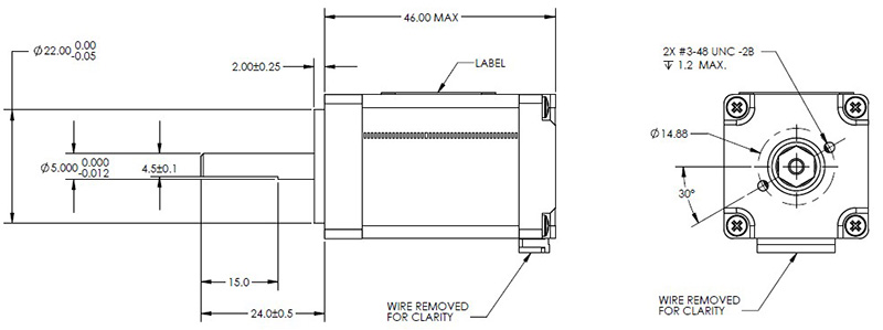
  • 尺寸图 +



    Size 11,双叠厚,28000系列旋转步进电机






  • 性能曲线 +





    增加脉冲频率时,设定一个加速度可以推动更大负载或者达到更高的速度,可以提高电机的性能。  另外,设定减速度可以让电机停止时不会产生过冲。

    使用L/R驱动器可以减小峰值力和速度,使用单极性驱动器会进一步减少30%的力。
  • 产品品号选型向导 +


    28

    M

    4

    0

    -

    05

    -

    900

    系列

    样式

    极性

    步长


    电压


    后缀

    28=28000 (系列数字和电机机身的边长一样)

    M=1.8°步距角,双叠厚

    4=Bipolar
    (4 wire)


    0=旋转电机


    2.1=2.1 VDC
    05=5 VDC
    12=12VDC
    电压可客户化定制


    Example:
    900=标准电机
    XXX=客户化定制电机代码