AmetekHaydonKerk
Skip to content

联锁开关

联锁开关是一款结实的按钮式开关,用于重型应用。Haydon使用高公差材料按照严格质量标准生产的这款开关即使在恶劣的环境中也有出色的性能。开关的关键部件由业界认可的电气开关机构组成,该开关机构密封在由不锈钢制成的高度保护性组件中。

Haydon联锁开关采用了独特而灵活的设计,允许操作员将柱塞调整到特定的开关启动点。联锁开关的1/8英寸预行程 - 1/2英寸总行程为工程师提供了极大的灵活性、可选范围和所需的机械性能。Haydon联锁开关有多种安装配置和广泛的触点额定电流和电压,范围从28 VDC时的5安培到30 mV时的10毫安不等。

在湿热、潮湿、雨水、结冰、高/低温、振动和冲击等恶劣条件下对开关进行了测试。应用涉及飞机、水陆运输车辆的重型货舱门和/或需要开关重型门或舱口的行业。

  • 规格 +


    机械特性 - 联锁开关

    最大工作力

    7磅(31.14 N)

    最小释放力

    1磅(4.45 N)

    预行程

    0.125英寸 (3.18 mm)

    重量

    3盎司 (85 g)


    电气特性 - 联锁开关

    电气额定值

    28VDC/115VAC, 400 Hz

    电阻

    0.25安培

    绝缘耐压

    海平面1000V rms,持续1分钟或1250V rms,持续1秒,最大泄漏电流为0.5毫安。可提供满足1500V rms耐受电压,但会缩短寿命。

    触点排列

    SPST (N.O)


    环境特性 - 联锁开关

    温度范围

    -65°F至250°F(-54°C至121°C)

    冲击

    100g,持续6±1 ms

    振动

    10 - 2000 Hz 20g峰值

    环境压力

    海平面到+50,000英尺(15公里)


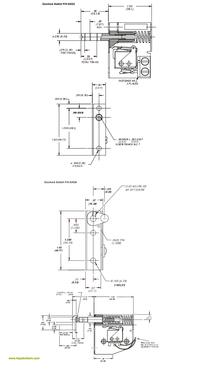
  • 尺寸图 +

    Haydon Interlock Switch