AmetekHaydonKerk
Skip to content

6600系列

Haydon_6600_Series_Hermetically_Sealed_Switch

6600系列开关设计用于恶劣的环境,它的长寿命密封完整性在其中起着关键作用。开关的最小密封寿命为130,000次循环,等同于许多应用中飞机可靠性的寿命。

坚固的设计和结构采用了金属波纹管,以确保执行机构的耐用性。开关外壳用惰性氮气回填并密封。气密密封符合MIL-PRF-8805的5类标准,即1x10-8大气压立方厘米/秒。耐腐蚀外壳可以抵抗大多数介质的侵蚀,允许开关暴露在合成液压油和喷气燃料等流体中。

该开关设计可在温度高达400°F以及28 VDC时电流低于5 mA的条件下工作。通过更换触点材料,开关可在5安培的电流下工作。

可用组件
6600系列开关可用于各种执行器组件。典型的组件包括叶片执行器、滚轴叶片组件和柱塞执行器。Haydon Kerk Motion Solutions还可以提供定制组件以满足特定的操作要求。
  • 规格 +


    机械特性 - 6600系列密封开关

    最大工作力

    22盎司 (6.12 N)

    最小释放力

    3盎司 (0.835 N)

    运动差分

    0.005英寸 (0.13 mm)

    重量

    0.5盎司 (14.2 g)

    超行程停止

    有0.006英寸可选 (0.15 mm)


    电气特性 - 6600系列密封开关

    电气额定值

    28VDC/115VAC, 400 Hz

    电阻

    5毫米

    绝缘耐压

    海平面1000V rms,持续1分钟或1250V rms,持续1秒,最大泄漏电流为0.5毫安。可提供满足1500V rms耐受电压,但会缩短寿命。

    触点排列

    SPDT

    触点间隙

    最小0.015英寸 (0.381 mm)


    环境特性 - 6600系列密封开关

    温度范围

    -65°F至400°F(-54°C至204°C)连续

    冲击

    100g,持续6±1 ms

    振动

    10 - 2000 Hz 20g峰值

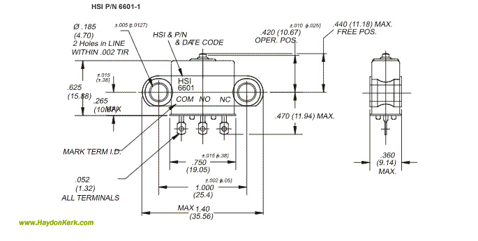
  • 尺寸图 +

    Haydon Hermetically Sealed Switch 6600 Series