AmetekHaydonKerk
Skip to content

Size 8,21mm

Size 8, 21mm 混合式旋转电机是一款紧凑型高性能步进电机。在额定电压下,Size 8 -21000系列-单层电机的扭矩可达11.8 mNm(1.7 oz-in)。它表现出色,但应用不限于医疗设备、半导体搬运、阀门控制、X-Y工作台和手持仪器。


  • 电气参数 +


     
    Part No. 旋转电机 21H40-V
    极性 Units Bipolar
    步进角度 Degree 1.8°
    绕组电压 VDC 2.5 5 7.5
    电流/相位 A rms 0.49 0.24 0.16
    电阻/相位 ohms () 5.1 20.4 45.9
    电感/相位 mH 1.5 5.0 11.7
    功耗 Watts 2.45
    转子惯量 gcm2 1.4
    绝缘等级
    Class B (Class F available)
    重量 oz (g) 1.5 (43)
    绝缘电阻 M() 20
    标准电机为B级,最高温度为130°C(F级为155°C)
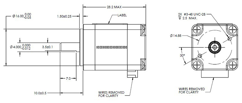
  • 尺寸图 +




    Size 8,21000系列旋转步进电机


     

     








  • 性能曲线 +



     


    注意:  所有斩波驱动曲线都在5伏电机电压和40伏电源电压条件下创建。

    增加脉冲频率时,设定一个加速度可以推动更大负载或者达到更高的速度,可以提高电机的性能。  另外,设定减速度可以让电机停止时不会产生过冲。

    使用L/R驱动器可以减小峰值力和速度,使用单极性驱动器会进一步减少30%的力。



  • 编码器 +


    所有Haydon混合式直线步进电机均可配备一个专用编码器,以用于需要反馈的应用。紧凑型光学增量式编码器设计具有双通道正交TTL方波输出。可选索引也可作为第三通道使用。Size 8编码器的分辨率适合每转需要250和300个计数的应用。  Size 11、14和17编码器的分辨率适合每转需要200、400和1,000个计数的应用。  Size 23和34编码器的分辨率为每转200、400、1,000和2,000计数。编码器可用于所有电机配置 - 固定轴式、贯通轴式和外部驱动式。

    简单的设计和低成本使编码器非常适合大小批量的运动控制应用。内部单片电子模块将实时轴角度、速度和方向转换为TTL兼容的输出。编码器模块包含一个透镜LED光源和单片光电探测器阵列以及信号整形电子器件,可产生双通道无反射TTL输出。

    电气规格

      最小 
    典型 
    最大 
    单位 
    输入电压
    4.5 5.0 5.5 VDC
    输出信号
    4.5 5.0 5.5 VDC
    • 2通道正交TTL方波输出
    • 从编码器盖上看,通道B引导通道A使转子顺时针旋转
    • 速度为0至100,000个周期/秒时的轨道。
    • 可选索引可用作34d通道(每转一个脉冲)。


    Size 8单端编码器引脚分配

    连接器引脚编号 
    描述 
     1 +5 VDC电源
    2 通道A
    3 接地
    4 通道B


    工作温度

    最小
    最大
    -10°C (14°F)  
    85°C (185°F) 


    机械规格

      最大
    加速 250,000弧度/秒平方
    振动(5 Hz至2 kHz)
    20g


    分辨率
    4标准每转周期(CPR)或每转脉冲(PPR)

    CPR 
    250 300
    PPR
    1000 
    1200 

    其他可用

    编码器尺寸图
    尺寸 =(毫米)英寸

    21mm 21000系列Size 8

    Size 8 Linear Actuator Encoder
    注释A:在特定的固定轴式和贯通轴式电机上,螺杆延伸到编码器之外。可根据要求提供外部驱动式。

  • 集成连接器 +


    点击此处下载集成连接器

  • 接线图和步进序列 +


    Bipolar Wiring Diagram

    步进序列 - 混合式直线步进电机

    双极性 Q2-Q3 Q1-Q4 Q6-Q7 Q5-Q8
    单极性 Q1 Q2 Q3 Q4
    . . . .
    1
    2
    3
    4
    1
  • 产品品号选型向导 +


    21

    H

    4

    0

    -

    7.5

    -

    900

    系列

    样式

    极性

    步长


    电压


    后缀

    21=21000 (系列数字和电机机身的边长一样)

    H=1.8°步距角,单叠厚

    4=Bipolar
    (4 wire)


    0=旋转电机






    2.5=2.5 VDC
    05=5 VDC
    7.5=7.5VDC
    电压可客户化定制


    例如:
    900=标准电机
    XXX=客户化定制电机代码



    NOTE: 客户化定制电机必须含有(–)