AmetekHaydonKerk
Skip to content

带19000电机的微型模组

SS Spline Shaft
小尺寸 - 大推力
非常适合在小型实验室和自动化设备中使用。
  • 19000永磁电机
  • 简化产品的机构设计
  • 体积小,平台稳定
  • 模组可以扩展
  • 技术参数 +


    永磁步进电机   Ø 20 mm (.79-in) 19000 系列电机
    步距角
    7.5°
    绕组 双极性
    绕组电压 5 VDC 12 VDC
    每相电流 350 mA 160 mA
    每相电阻 14.0 Ω 74.5 Ω
    每相电感 6.24 mH 31.2 mH
    功耗 3.38 W
    绝缘等级 Class B
    重量 1.24 oz (35 g)
    绝缘电阻 20 MΩ
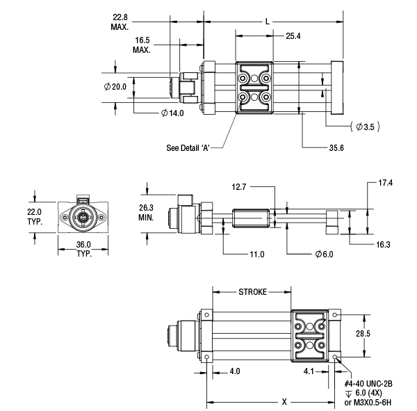
  • 图纸尺寸 +





    图纸尺寸
     Stroke Rail Length "L" Mounting Holes "X"
     25mm  69.4mm  62.1mm
     50mm  94.4mm  86.5mm
     75mm  119.4mm  111.5mm
     100mm  144.4mm  136.5mm



  • 安装尺寸 +





  • 性能曲线 +


  • 品号命名规则 +


    带19000电机的Mini模组品号命名规则
    MSA  02 K H 0020 XXX
    前缀 尺寸 涂层  *  电机  导程代码  *  特殊标识号
     MSA  =
    Mini Slide
    Actuator
    (Mini模组)
     02 =
    1/8" 直径螺杆
     K = TFE Kerkote
      C = 19000系列
    永磁电机


    0020 = 1/2mm lead     805 = 50mm stroke
    M3 mounting
     B = TFE Black Ice 0039 = 1mm lead  810 = 100mm stroke
    M3 mounting 
    G = 油脂 
     0079 = 2mm lead  905 = 50mm stroke
    #4-40 mounting
     S = 无润滑脂


    0157 = 4mm lead  910 = 100mm stroke
    #4-40 mounting  


    0315 = 8mm lead 
     0012 = 0.012" lead
     0024 = 0.024" lead
     0048 = 0.048" lead
    0096 = 0.096" lead 
    *NOTE: 破折号必须包含在上面所示的品号中。
    如有问题,请联系我们的销售工程师0519-85113312