AmetekHaydonKerk
Skip to content

6100系列

Haydon_6100_Series_Environmentally_Sealed_Switch
6100系列环境型密封开关专为需要高可靠性的高低温应用而设计。该开关结合了长使用寿命和精确运动的优点,被广泛用于商用和军用飞机和航天应用中。这些开关有诸如指示联锁、起落架位置、阀门位置和油门控制等功能。军事应用包括军用车辆上的刹车灯、坦克的换挡指示器和其他需要弹性密封、高可靠性开关的应用。

开关采用弹性体密封,实现了高灵敏度和低工作压力,最大泄漏率为1X10 - 6大气压立方厘米/秒。纯银触点为标准配置,也可提供金合金或铂触点。电气和机械寿命保守估计为100,000次操作。我们的6100系列环境型密封开关还有一款超高温、非密封开关,其工作温度范围为-65°F至+700°F(-54°C至+ 371°C)。

可用组件

6100系列环境型密封开关可用于各种执行器组件。典型的组件包括按钮、拨动开关、叶片执行器和滚轴叶片组件。HSI还可以提供定制组件以满足特定的操作要求。
  • 规格 +


    机械特性 - 6100系列环境型密封开关
    最大工作力     中心按钮22盎司(6.12 N)胶印按钮10盎司(2.8 N)
    最小释放力     中心按钮6盎司(1.67 N)胶印按钮2盎司(0.56 N)
    运动差分     0.0005/0.005英寸 (0.0127/0.127 mm)
    重量   0.32盎司 (9.07)
    超行程停止     有0.007英寸可选 (0.1778 mm)

    电气特性 - 6100系列环境型密封开关
    电气额定值     28VDC/115VAC, 400 Hz
    电阻     5安培
    感应     3安培
    绝缘耐压     海平面1000V rms,持续1分钟或1250V rms,持续1秒,最大泄漏电流为0.5毫安。可提供满足1500V rms耐受电压,但会缩短寿命。
    触点排列     SPDT

    环境特性 - 6100系列环境型密封开关
    温度范围     -850F至+3000F (-650F) 至1490C) +4000F特殊订单 (2040C)
    冲击     100g,持续6±1 ms
    振动     10 - 2000 Hz 20g峰值
    军用规格     MIL-PRF-8805
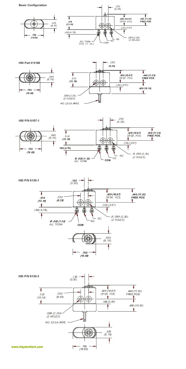
  • 尺寸图 +

    Haydon Environmentally Sealed Switch 6100 Series
  • 典型组件 +

    Haydon Environmentally Sealed Switch 6100 Series