AmetekHaydonKerk
Skip to content

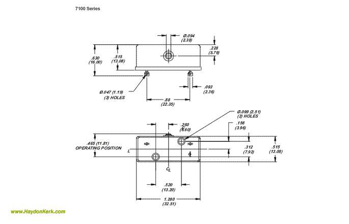
7100系列

Haydon 7100 Series High Load Sealed Switch
7100系列单刀基本开关具有较高的电气负载能力、坚固耐用、精确的重复性和灵敏的操作特性。它们在40g的振动下有令人满意的性能。
  • 规格 +


    机械特性 - 7100系列高负载密封开关

    最大工作力

    32盎司 (8.9 N)

    最小释放力

    6盎司 (1.68 N)

    运动差分

    0.001/0.006英寸 (0.03/ 0.15 mm)

    超行程停止

    有0.005英寸可选 (13 mm)


    电气特性 - 7100系列高负载密封开关

    电气额定值

    28VDC/115VAC, 400 Hz (对于60 Hz额定值和28伏以上的直流电,请致电HSI)

    电阻

    10安培

    感应

    4安培

    触点间隙

    0.020英寸 (0.51 mm)

    触点排列

    SPDT


    环境特性 - 7100系列高负载密封开关

    温度范围

    -65°F至300°F(-54°C至149°C)

    振动

    40g

  • 尺寸图 +

    Haydon High Electrical Load Switch 7100 Series