Your browser is out of date. The site is optimized for IE 9 (not compatibility mode) and above, Chrome 29, Firefox 23 and Safari 6.0.
Skip to content
中文
本网站在其他国家/地区:
选择国家以查看HaydonKerkPIttman.com的地区网站
Deutsch
中文
Français
English
日本
登录
登录
Toggle navigation
产品
客户化定制方案
螺杆和螺母组件
螺杆螺母系列
3DP 3D打印原型螺母
BFW通用螺母
CMP消隙螺母
KHD中等负载消隙螺母
NTB高度定制的消隙螺母
NTG消隙螺母
VHD最大负载的消隙螺母
WDG消隙螺母
ZBA可调阻力矩消间隙螺母
ZBM全球最小的消隙螺母
ZBX超平滑消隙螺母
螺杆的尺寸
5/64英寸 (2mm)直径螺杆
1/8英寸 (3.2mm)直径螺杆
0.132英寸 (3.3mm)直径螺杆
9/64英寸 (3.6mm)直径螺杆
5/32英寸 (4mm)直径螺杆
3/16英寸 (5mm)直径螺杆
7/32英寸 (5.6mm)直径螺杆
1/4英寸 (6mm)直径螺杆
5/16英寸 (8mm)直径螺杆
3/8英寸 (10mm)直径螺杆
7/16英寸 (11mm)直径螺杆
1/2英寸 (13mm)直径螺杆
5/8英寸 (16mm)直径螺杆
3/4英寸 (19mm)直径螺杆
7/8英寸 (22mm)直径螺杆
15/16英寸 (24mm)直径螺杆
螺杆技术参数
直线步进电机
混合式直线步进电机
Size 6,16000系列
Size 6,16000双叠厚系列
Size 8,21000系列
Size 8,21000双叠厚系列
Size 8,21mm 滚珠花键电机
Size 11,28000系列
Size 11,28000双叠厚系列
Size 14,35000系列
Size14, 35000双叠厚系列
Size 17, 43000系列
Size 17,43000双叠厚系列
Size 17, 43000高性能系列
Size 17,43000 高性能双叠厚系列
Size 23,57000系列
Size 23,57000双叠厚系列
Size 34 ,87000系列
交流同步电机
混合式直线步进电机-SLIM驱动器
Size 17 43mm SLIM 驱动
双运动电机
Size 14, 35000系列
Size 17,43000系列
永磁式直线步进电机
15000 15mm直径
Z20000 20mm直径
G4 19000 20mm直径
G4 25000 25mm直径
Z26000 26mm直径
36000 36mm直径
G4 37000 37mm直径
46000 46mm直径
交流同步电机
直线导轨
滑动直线导轨
RGS直线导轨
带驱动电机
RGS04
RGS06
RGS08
RGS10
不带驱动电机
RGS04
RGS06
RGS08
RGS10
带传感器安装座的RGW导轨
带驱动电机
RGW06
RGW10
不带驱动电机
RGW06
RGW10
WGS直线导轨
带驱动电机
WGS06
不带驱动电机
WGS06
LRS直线导轨
带驱动电机
LRS04
不带驱动电机
LRS04
SRA 直线模组
SRA 03, 04, 06, 08
SRZ直线模组
SRZ 03, 04, 06, 08
滚珠直线导轨
BGS04
BGS06
BGS08
EGS04 扁平化高速高精密滚珠导轨
微型直线模组Stages
配21000电机的MiniStage
微型直线模组Slides
带21000电机的微型模组
带19000电机的微型模组
直线导向
SS - 花键轴
SZ - 消隙花键轴
GR - 导杆
多轴运动系统
Z-theta
Size 4 13mm
直流/步进电机
有刷直流电机
DC026C 26mm有刷直流电机
DC030B 30mm有刷直流电机
DC030C 30mm有刷直流电机
DC040B 40mm有刷直流电机
DC054B 54mm有刷直流电机
无刷直流电机
ES030A 30毫米无刷直流电机
EC033A 33毫米无刷直流电机
ES040A 40毫米无刷直流电机
EC042B 42毫米无刷直流电机
EC044A 44毫米无刷直流电机
ES050A 50毫米无刷直流电机
EC057C 57毫米无刷直流电机
EC057B 57毫米无刷直流电机
EC057A 57毫米无刷直流电机
EC083A 83毫米无刷直流电机
EC121A 121毫米无刷直流电机
IDEA无刷直流电机系列
EC042B 42mm IDEA电机
EC057B 57mm IDEA电机
永磁式旋转步进电机
Z20000 20mm
Z26000 26mm
AC同步 - 旋转
混合式旋转步进电机
Size 8,21mm
Size 8,21mm 双叠厚系列
Size 11,28mm
Size 11,28000双叠厚系列
Size 14,35mm
Size14, 35000双叠厚系列
Size 17, 43000 MAX
Size 17,43000 高性能双叠厚系列
Size 23,57mm
Size 23,57 mm 双叠厚系列
驱动器
步进电机不可编程驱动器
DCM8027 & DCM8054
43000 系列直线步进电机绝对值编码器
齿轮箱
G35A
G51A
G30A
G40A
PLG42S
PLG52
密封开关
环境型密封开关
6100系列
6700系列
气密型密封开关
6200系列
6300系列
6600系列
LC系列
高电气负载开关
7100系列
8100系列
定制组件
40100系列襟翼板
62100系列防爆
联锁开关
按钮
叶片和滚轴
应用行业
实验室仪器仪表
医疗设备
半导体设备
商用机器
工业自动化
运输系统
常见应用
真空电机
流体控制
光学
旋转运动
三坐标
阀门
资料库
案例展示
产品样本下载
常问问题解答
直线步进电机
螺杆螺母组件
电刷无刷直流电机
公司新闻
电机3D模型下载
产品推荐
视频
白皮书
支持
行业认证
条款和条件
保修信息
快速选型工具
关于我们
AMETEK AMS
使命
历史
展会
联系我们
产品询价
在线留言
资料索取
联系我们
AMETEK招聘信息
双运动电机
Size 14, 35000系列
Size 17,43000系列
Haydonkerk Pittman
»
产品
»
直线步进电机
»
双运动电机
»
Size 17,43000系列
»
Size 17,43000系列
See a Dual Motion linear actuator in action to fully understand what dual motion means and see a few examples of applications.
海顿科克 43000系列(Size 17)双运动电机具有许多电气参数,可根据客户特定的应用要求定制每个电机。直线运动可以根据各螺杆步长进行优化,能够产生0.0015毫米至0.0487毫米每步的直线行程。旋转运动通过1.8或0.9°步进角度的单叠厚电机实现。
规格 - 1.8° 单叠厚(直线或旋转)
+
系列
43H4-V
43H6-V
行程长度
单
单
极性
单位
双极性
单极性
步进角度
度
1.8°
1.8°
绕组电压
V
2.33
5
12
5
12
电流/相位
A rms
1.5
0.7
0.29
0.7
0.29
电阻/相位
欧姆 (Ω)
1.56
7.2
41.5
7.2
41.5
电感/相位
毫亨
1.9
8.7
54
4.4
27
电源输入
瓦
7
7
标准电机为B级,最高温度为130°C(F级为155°C)
尺寸17双运动1.8°
步长
负载限制
代码I.D.
英寸
mm
磅
n
0.00012
0.0030*
30
133
N
0.000125
0.0031*
30
133
7
0.00015625
0.0039*
30
133
P
0.00019*
0.005
30
133
AB
0.00024
0.0060*
30
133
K
0.00025
0.0063
30
133
9
0.0003125
0.0079*
50
222
A
0.00039*
0.01
50
222
AC
0.00048
0.0121*
50
222
J
0.0005
0.0127
50
222
3
0.000625
0.0158*
50
222
B
0.00098*
0.025
50
222
AQ
0.00096
0.0243*
50
222
Q
0.00125
0.0317*
50
222
C
0.00196*
0.05
50
222
BH
0.00192
0.0487*
50
222
R
0.0025
0.0635
50
222
Y
0.00375
0.0953*
50
222
AG
0.005
0.127
50
222
Z
*值被截断
规格 - 0.9° 单叠厚(直线和旋转)
+
系列
43K4-V
43K6-V
行程长度
单
单
接线
单位
双极性
单极性
步进角度
度
0.9°
0.9°
绕组电压
V
2.33
5
12
5
12
电流/相位
A rms
1.5
0.7
0.29
0.7
0.29
电阻/相位
欧姆 (Ω)
1.56
7.2
41.5
7.2
41.5
电感/相位
毫亨
2.6
12
70
6
35
电源输入
瓦
7
7
标准电机为B级,最高温度为130°C(F级为155°C)
Size 17双运动电机0.9°
步长
负载限制
代码I.D.
英寸
mm
磅
ñ
0.00006
0.0015*
30
133
U
0.0000625
0.0016*
30
133
BB
0.000078*
0.00198*
30
133
V
0.000098*
0.0025
30
133
AA
0.00012
0.0030*
30
133
N
0.000125
0.0031*
30
133
7
0.000156259
0.0039*
50
222
P
0.00019*
0.005
50
222
AB
0.00024
0.0060*
50
222
K
0.00025
0.0063*
50
222
9
0.0003125
0.0079*
50
222
A
0.00049*
0.0125
50
222
BG
0.00048
0.0121*
50
222
J
0.000625
0.0158*
50
222
B
0.00098*
0.025
50
222
AQ
0.00096
0.0243
50
222
Q
0.00125
0.0317*
50
222
C
0.001875
0.0476*
50
222
AF
0.0025
0.0635
50
222
Y
*值被截断
规格 - 1.8° 双叠厚(旋转)
+
系列
43M4-V
行程长度
双
接线
单位
双极性
步进角度
度
1.8°
绕组电压
V
2.33
5
12
电流/相位
A rms
2.6
1.3
0.55
电阻/相位
欧姆 (Ω)
0.9
3.8
21.9
电感/相位
毫亨
1.33
8.21
45.1
电源输入
瓦
10.4
标准电机为B级,最高温度为130°C(F级为155°C)
规格 - 0.9° 双叠厚(旋转)
+
系列
43P4-V
行程长度
双
接线
单位
双极性
步进角度
度
0.9°
绕组电压
V
2.33
5
12
电流/相位
A rms
2.6
1.3
0.55
电阻/相位
欧姆 (Ω)
0.9
3.8
21.9
电感/相位
毫亨
1.82
11.3
58.5
电源输入
瓦
10.4
标准电机为B级,最高温度为130°C(F级为155°C)
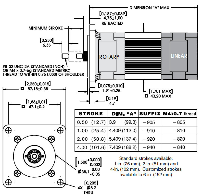
尺寸图
+
请注意:公制数字仅供参考。
性能曲线
+
力与脉冲速率
:旋转函数
双极性,100%工作周期:
43000系列直线步进电机曲线
43000系列单叠厚1.8°和0.9°
混合式直线步进电机曲线
43000系列双叠厚1.8°
混合式直线步进电机曲线
注意: 所有斩波驱动曲线都在5伏电机电压和40伏电源电压条件下创建。
增加脉冲频率时,设定一个加速度可以推动更大负载或者达到更高的速度,可以提高电机的性能。 另外,设定减速度可以让电机停止时不会产生过冲。
使用L/R驱动器可以减小峰值力和速度,使用单极性驱动器会进一步减少30%的力。
接线图和步进序列
+
步进序列 - 混合线直线步进电机
双极性
Q2-Q3
Q1-Q4
Q6-Q7
Q5-Q8
单极性
Q1
Q2
Q3
Q4
步
.
.
.
.
1
开
关
开
关
2
关
开
开
关
3
关
开
关
开
4
开
关
关
开
1
开
关
开
关
产品品号选型向导
+
示例:
LR35KH4AB-05-910 =双运动电机,35000系列(Size 14,1.5英寸,边长35MM)0.9°旋转,1.8°线性,双极性线圈,0.00048英寸(0.0121毫米),5 V DC,1英寸(26毫米)行程
MacCMS
×